Product

产品中心

product

接近传感器

方形接近传感器

产品介绍:

方型电感式接近传感器,体积小,便于安装;

产品性能稳定;

超强防水,抗电磁干扰。


在线询价 资料下载
订购热线: 021-6658 1687
  • 产品规格
  • 分享至:
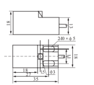
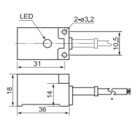
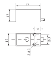
    IQ系列 电感式方型接近传感器 
    外形编号IQ1IQ2IQ3
    检测距离5mm5mm5mmm
    型号:     NPN常开IQ1-D1NA05IQ2-D1NA05IQ3-D1NA05
     NPN常闭IQ1-D1NB05IQ2-D1NB05IQ3-D1NB05
    PNP常开IQ1-D1PA05IQ2-D1PA05IQ3-D1PA05
    PNP常闭IQ1-D1PB05IQ2-D1PB05IQ3-D1PB05
    DC直流二线制常开IQ1-D1LA05IQ2-D1LA05IQ3-D1LA05
    DC直流二线制常闭
    IQ2-D1LB05IQ3-D1LB05
    产品尺寸image.pngimage.pngimage.png
    输出电流:     DC
           SCR/继电器   
    ≤200mA≤200mA≤200mA
    //≤200mA
    输出电压降直流(NPN,PNP)型3V以下、二线制:3.9V以下、交流型10V以下DC<3V、AC<10V
    消耗电流直流(NPN,PNP)型DC12V时8mA、24V时15mA、交流型10mA以下DC<15mA、AC<10mA
    标准检测物体20*20*1(A3 铁)20*20*1(A3 铁)20*20*1(A3 铁)
    重复精度0.020.020.05
    响应频率  
             
    700Hz700Hz700Hz/20Hz
    工作环境温度`-25℃ ~ +70℃ 
    绝缘电阻≥50M Ω
    外壳材料ABS 塑料
    防护等级IP67
    短路保护电流220mA(不含AC产品)


需要帮助?

联系我们的传感器专家,我们乐意回答您的垂询